ES-1114MR подъемник 4 т, 2-х ст. электрогидравлический (2025) (380 V ТВ) купить в Омске цена ✅ - Все для СТО

Время работы:

ПН-ПТ 10:00 - 18:00

Суббота, 
Воскресенье - Выходной

8 (800) 550-41-17

8 (812) 962-41-17

info@vsedlyasto.ru

Заказать звонок
Каталог товаров

ES-1114MR подъемник 4 т, 2-х ст. электрогидравлический (2025) (380 V ТВ)

Артикул: ES-1114MR
(0)
199 900 руб. за 1
В наличии много
- +
Нашли дешевле?
Основные характеристики
Производитель
Профессиональный двухстоечный подъёмник с верхней синхронизацией (чистый пол) — оптимальное решение для автосервиса, СТО и гаража. Часто ищут как двухстоечный подъёмник 4 т, подъёмник с верхней синхронизацией, автоподъёмник для СТО, подъёмник чистый пол.

Поднимает все легковые автомобили и внедорожники (SUV). Надёжная конструкция, удобство обслуживания и повышенный ресурс.

Ключевые преимущества

  • Гарантия до 36 месяцев (24 мес. стандарт / 36 мес. при установке нашими специалистами и ежегодном ТО).
  • Верхняя тросовая синхронизация — ровный пол, свободный проезд тележек и стоек, удобная уборка.
  • Съём со стопоров одной ручкой на колонне — экономия времени.
  • Усиленная каретка 8 мм — меньше люфтов, выше ресурс под нагрузкой.
  • Г/п 4 тонны — подходит для легковых и рамных внедорожников.
  • 220/380 В — на выбор.
  • Ограничитель подъёма при достижении максимальной высоты.

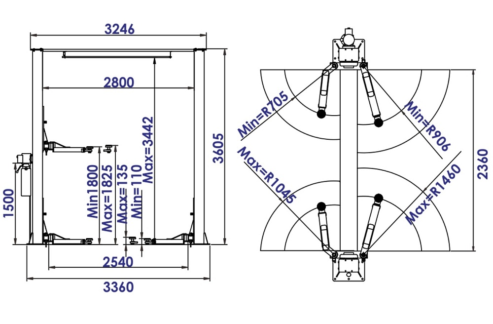
Технические характеристики

  • Грузоподъёмность: 4 т
  • Высота подъёма: 110–1825 мм
  • Высота от пола до ограничительной планки: 3442 мм
  • Расстояние между колоннами: 2800 мм
  • Ширина проезда: 2540 мм
  • Тип синхронизации: верхняя, тросовая
  • Питание: 220 / 380 В

Конструкция и безопасность

  • Сертификация РФ и ЕС.
  • Аварийный трос для безопасного спуска.
  • Два гидроцилиндра — равномерное распределение нагрузки.
  • Оцинкованные тросы со стальным сердечником, суммарная прочность на разрыв > 10 т.
  • Итальянские уплотнительные манжеты, качественные клапаны — высокая герметичность.
  • Рёбра жёсткости колонн против деформаций.
  • Винтовые опоры лап — удобный подхват рамных авто.
  • Передние лапы складываются по ходу движения.

Важно при установке и отгрузке

  • Двигатели трёхфазные (4 провода с заземлением). Подключение — квалифицированным электриком.
  • Обязательно заземление и проверка направления вращения.
  • Рекомендуемая выгрузка: погрузчик или кран-балка.
  • Для самовывоза — бортовой транспорт длиной от 5 м.
Производитель

Рассчитать стоимость доставки

Условия доставки:

Санкт-Петербург:
  • От 700 руб (Высота, ширина товара до 0,8 м., длина до 2м. И вес товара не более 100 кг.)
  • От 1800 руб ( Длина товара не превышает 3,5 метров и вес не более 1000 кг)
  • Лен область: +35 руб. км от КАД.
  • Товар размерами свыше 3,5 метров и более 1000 кг. уточняйте у менеджера.
  • Самовывоз товара осуществляется по предварительному согласованию со складов компании.
Москва и Московская область.
  • От 2500 руб ( Длина товара не превышает 3,5 метров и вес не более 1000 кг.)
  • Товар размерами свыше 3,5 метров и более 1000 кг. Уточняйте у менеджеров.
  • Самовывоз товара осуществляется по предварительному согласованию со складов компании.
По городам РФ:
  • Производится транспортными компаниями на ваш выбор, согласно тарифам ТК.
  • Доставка до терминала ТК уточняйте у менеджера.
  • Вы можете рассчитать ориентировочную стоимость доставки до вашего города в окне расчёта доставке или на сайте ТК.

В блоке справа Вы можете ввести необходимые данные и узнать стоимость и сроки доставки.

Похожие товары
Артикул: T-4A
128 250 руб. за 1
В наличии много
- +
Артикул: WDK-522/380
219 410 руб. за 1
В наличии много
- +
Артикул: 6140-380
249 900 руб. за 1
В наличии мало
- +
Артикул: 01-00008658
Усиленная конструкция каретки, полученная наращиванием толщины металла у полок каретки Тросы изготовлены из высококачественной стали с применением стальной нити
207 800 руб. за 1
В наличии много
- +

Напишите нам!